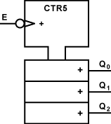
Schaltzeichen Elektrotechnik Zähler

Best image references website

Schaltzeichen Elektrotechnik Zähler.

Schaltzeichen
Schaltzeichen from deacademic.com

close