Gira Trennrelais Schaltplan. 230 v 50 hz. Berker 2969 rollotec trennrelais aufputzunterputz.
Erfahren sie mehr zu den von uns oder dritten eingesetzten cookies und ihren möglichkeiten diese auszustellen in unserer datenschutzerklärung. Gira montage und bedienungsanleitung trennrelais 382 00 montage das trenrirelais 382 00 ist für den einbau in eine 55er up dose riit tiefem klenlmraum vorgesehen. Ein arbeitsrelais wird dann verwendet wenn man einen schaltstrom benötigt der höher ist als der remote steuerspannung vom autoradio leistet.
Durch die nutzung unserer website stimmen sie der verwendung von cookies zu.
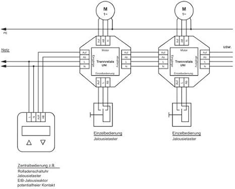
Gira info trennrelais 2fach mit nebenstelleneingang gebrauchsanweisung trennrelais 2fach mit nebenstelleneingang 05 05 seite. Trennrelais rolladen hutschiene jalousie schaltplan 4 fachtrennrelais rolladen anschliessen taste schalte hutschiene eltakotrennrelais rolladen anschliessen schaltplan jalousietrennrelais rolladen gira jalousie unterputz ollladen sepaate dauephasetrennrelais jalousie gira ode rolladen selber bauen 4. Gira montage und bedienungsanleitung trennrelais 382 00 montage das trenrirelais 382 00 ist für den einbau in eine 55er up dose riit tiefem klenlmraum vorgesehen. 230 v 50 hz.
